Lumin Smart Panels can control six poles of up to 60 amps and six poles of up to 30 amps.
Occasionally, a load greater than 60 amps needs to be controlled by Lumin. This is best accomplished by means of an AC contactor arranged in the following fashion of the diagram below.

An example of a suitable contact is ABB's AF116-30-11-13. Any ABB distributor should be able to procure this, but an example is found at https://www.galco.com/af116-30-11-13-abbg.html?utm_id=19750239001&utm_device=c&utm_network=x&utm_mt=&phone=&source=AdWords&utm_source=adwords&utm_medium=&utm_campaign=%5BEM%5D%20PMax%20%7C%20Shopping%20%7C%20Z%20%7C%20Zombie%20%7C%20In%20Stock%20-%20G&utm_term=&utm_content=&hsa_acc=7083318986&hsa_cam=19750239001&hsa_grp=&hsa_ad=&hsa_src=x&hsa_tgt=&hsa_kw=&hsa_mt=&hsa_net=adwords&hsa_ver=3&gad_source=1&gad_campaignid=19750254617&gbraid=0AAAAAD9tmjxLRZMzJTGsdZHRnm-e15sAp&gclid=CjwKCAjwgb_CBhBMEiwA0p3oOIjjwRQQRgiHG-y8FXTuuniP_WeN1KZY-tixlg9mR9CBcdVE0EqY_xoCn3oQAvD_BwE
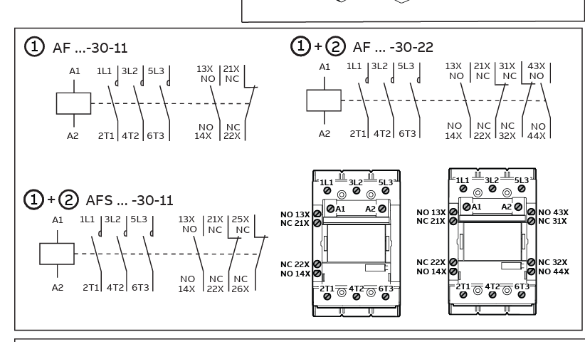
Below is a diagram of the inputs on the ABB AF116-30-11-13:
L1 and L2 of the load to be controlled come off the breaker and land on 1L1 and 3L2 of the contactor.
From the contactor 2T1 and 4T2 go to the load
Smart Panel Breaker wire to a single-pole breaker in the load center.
Neutral conductor run from the single pole breaker (or neutral bar) to A2.
Smart Panel Load wire connected to A1.
