TABLE OF CONTENTS
- Basic schematics
- Voltage Detection Electrical Installation
- Voltage Detection WiFi Setup and Scene Configuration
- Current Detection Electrical Installation
- Tesla Backup Switch Current Detection Electrical Installation
Installation application: The Grid Detection Circuit (GDC) is designed to be directly connected to non-backed-up wiring that will lose voltage in a grid-outage. In some installations the smart panel is too distant from the Microgrid Interconnect Device (MID) for a hardwired GDC connection to be feasible. In these cases installers can use two pieces of hardware from the Shelly company to transmit a grid detection signal wirelessly.
Note that Lumin/ABB is not affiliated with the Shelly Group. This solution is offered as a third-party solution to the remote GDC challenge but solution is not part of the our listed product, is not guaranteed or warrantied by Lumin/ABB, and is an optional solution to be taken on at installer/customer expense.
There are two methods by which the Shelly meter can detect an outage: voltage detection and current detection. Carefully consider your application and choose the method that works best for your situation.
| Voltage Detection | Current Detection | |
| Shelly meter | 3EM-x1 | 3EM-400 |
| CTs used | no | yes |
| equipment price | less expensive meter kit | more expensive meter kit |
| overcurrent protection | required on A/B/C lines (unless tap rules used) | only required on Line C (unless tap rules used) |
| connection required to line side of MID | yes | no (only CTs) |
| smart panel response time | 3-11 seconds ` | 4-12 seconds |
| false outage detection risk | no | yes. A lack of consumption for >1 second triggers outage signal |
Basic schematics:
Voltage Detection - See electrical installation details

Current Detection - See electrical installation details

Tesla Backup Switch Current Detection Variation - See electrical installation details

Current Detection Application Note:
Current detection may be somewhat less dependable as a means of detecting the grid, as a lack of current could simply mean a lack of consumption, not necessarily a grid outage. However, many common battery energy storage systems either consume some power from the grid or send a small amount of power to the grid on one leg while consuming the same amount of power on the other leg, even when the home is operating entirely off of solar and battery power.
Voltage Detection Electrical Installation
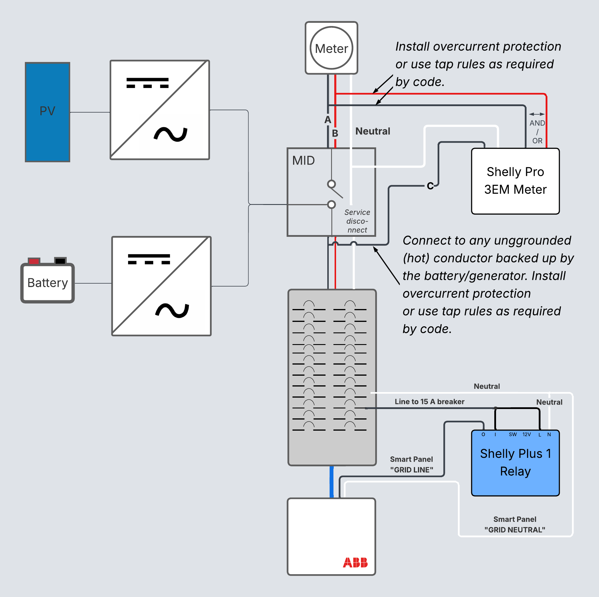
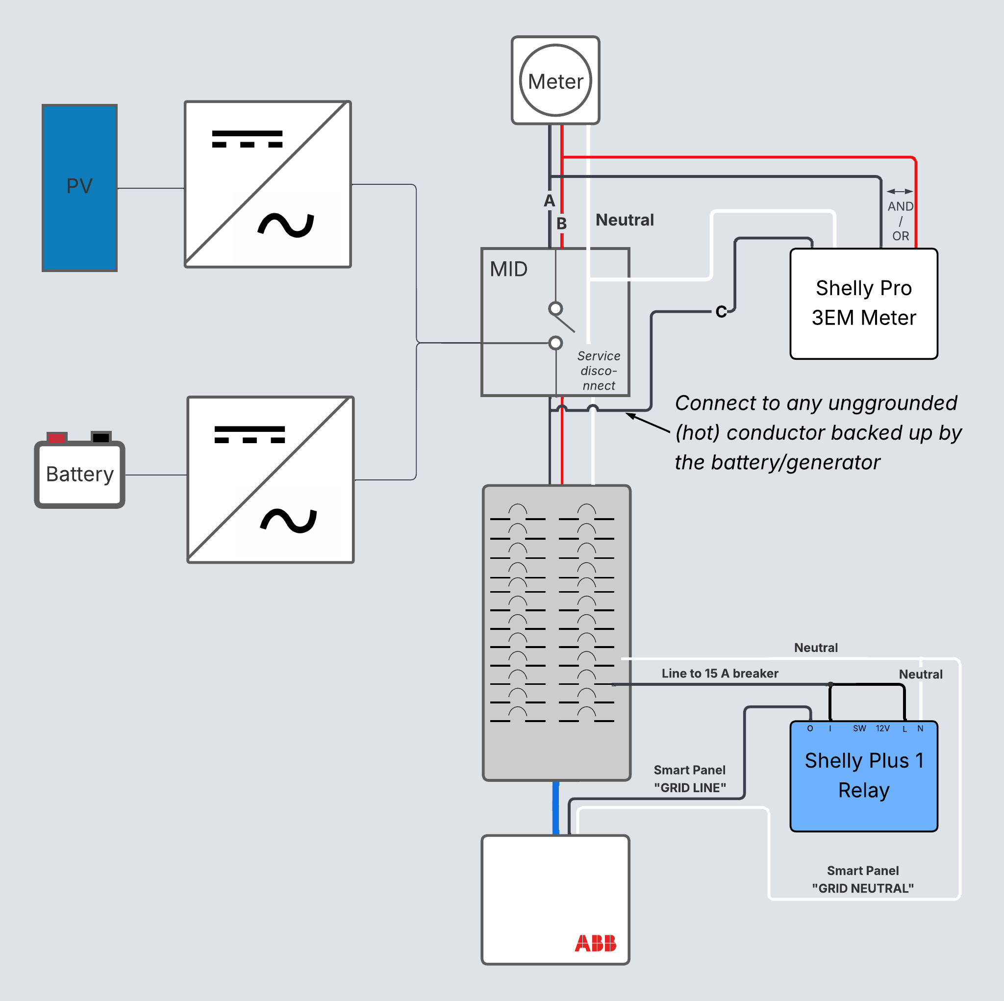
The Shelly remote grid voltage detection solution consists of two products: a meter and a relay.
Meter: https://us.shelly.com/products/shelly-pro-3em-x1
Relay: https://us.shelly.com/products/shelly-plus-1-ul-certified
Note that the meter comes in two varieties: the 3EM-x1 (with three CTs rated for up to 120 A) and the 3EM-400 (with three CTs rated for up to 400 A). In the voltage detection configuration, CTs are not used, so the less expensive 3EM-x1 can be ordered. Only the current detection configuration requires CTs.
The meter has 3 phases that can be connected, phase A, B and C. Operational power for the meter passes through the Phase C terminal on the meter. In a smart panel installation the "Phase C" conductor MUST be landed on the backed-up/load side of the MID/Hybrid inverter so that the meter retains power throughout the grid outage.
Either Phase A or B can be used as the signal to initiate a downstream automation. If desired, connections can be made to both Phase A and B so that a voltage irregularity on either leg will trigger the Grid Detection Circuit. Phase A and B must be connected to a location outside of the microgrid. Hardwire these connections and provide overcurrent protection in accordance with the Shelly product documentation and applicable electrical codes.
If multiple Lumin/ABB products are installed and each one requires grid detection a relay can be installed at each piece of Lumin/ABB equipment. The 3EM meter can send the signal to multiple relays.
Voltage Detection WiFi Setup and Scene Configuration
Once physical installation is complete, the Shelly meter and relay(s) must be configured. There are several methods to access and set up the devices wirelessly. The following is a suggested method:
- Download the Shelly Smart Control app on your mobile device (available in the Apple App Store or Google Play Store). Create an account and accept all permission requests during the account creation process.
- Connect via Bluetooth to each Shelly device to configure them to connect to the home's WiFi network (ensure they all use the same network) using the following process: Add Shelly Devices via Bluetooth.
- When prompted, create a room called "Energy Management" and add all devices to this room.
- When prompted to name the 3EM meter, designate it as "Grid Conductors"
- When prompted to name the Plus 1 relay, designate it as "Grid Detection Circuit". If multiple relays are installed, include a designation in your relay name to indicate which Lumin or ABB equipment the relay signals. For example, an installation might include "Grid Detection Circuit Left Smart Panel" and "Grid Detection Circuit Right Smart Panel".
- Add a "Scene" to create the behavior that will signal the grid detection relay to open upon grid loss.
- From within the Energy Management Room, click "Scenes" then "Add Scene".
- A popup will explain that you do not have any conditions. Click "Add Condition"
- Select condition: Device based
- In the drop down list that appears, expand "Energy Management" and select "Grid Conductors"
- Select device property "Voltage on Phase A" or "Voltage on Phase B" depending on which of these is connected to grid conductors. If both phases are connected, chose "Voltage on Phase A" at this time. You will create an additional scene for "Voltage on Phase B" later.
- Set the trigger voltage threshold that will indicate either a loss of grid power or voltage irregularities that could send the microgrid into backup mode. This will vary depending on Microgrid Interconnect Device or generator, but "When voltage is less than 110 V" should result in the scene working as intending.
- Select "Watch the property as : Trigger"
- A summary of the condition appears. Select "Next"
- On the "Do" screen, select "Add Action"
- Select "Device Action"
- In the drop down list that appears, expand "Energy Management" and select "Grid Detection Circuit". If multiple relays are installed, just select one for now and repeat this process later for the other relays.
- On the "Change State" screen, select "turn off Shelly device"
- The next screen asks if you want to delay the action. Set a 0-second delay and tap "Save"
- Click next and name the scene "Grid Loss". If necessary, customize this name to reflect Phase A or Phase B or the specific relay affected.
- Add a scene to create the behavior that will signal the grid detection relay to close upon grid return.
- Repeat items 1-5 from the Step 3.
- Set the trigger voltage threshold that will indicate either a return of grid power or the stabilization of voltage irregularities that previously sent the microgrid into backup mode. This will vary depending on Microgrid Interconnect Device or generator, but "When voltage is more than 110 V" should result in the scene working as intending.
- Repeat items 7-11 from Step 3.
- On the "Change State" screen, select "turn on Shelly device"
- The next screen asks if you want to delay the action. Set a 0-second delay and tap "Save"
- Click next and name the scene "Grid Return". If necessary, customize this name to reflect Phase A or Phase B or the specific relay affected.
- Repeat Steps 3 and 4 as needed for each phase connected to grid conductors and for each Shelly relay installed.
Current Detection Electrical Installation
The Shelly remote grid voltage detection solution consists of two products: a meter and a relay.
Meter: https://us.shelly.com/products/shelly-pro-3em-400
Relay: https://us.shelly.com/products/shelly-plus-1-ul-certified
Note that the meter comes in two varieties: the 3EM-x1 (with three CTs rated for up to 120 A) and the 3EM-400 (with three CTs rated for up to 400 A). In the currennt detection configuration, CTs are required. Most installations will require the higher-rated CTs, so the more expensive 3EM-400 meter kit and 400 A CTs should be ordered.
The meter has 3 phases that can be connected, phase A, B and C. Operational power for the meter passes through the Phase C terminal on the meter. In a smart panel installation the "Phase C" conductor MUST be landed on the backed-up/load side of the MID/Hybrid inverter so that the meter retains power throughout the grid outage.
Either Phase A or B can be used as the signal to initiate a downstream automation. If desired, connections can be made to both Phase A and B so that a lack of current on either leg will trigger the Grid Detection Circuit. Phase A and B CTs must be clamped on conductors outside of the microgrid.
If multiple Lumin/ABB products are installed and each one requires grid detection a relay can be installed at each piece of Lumin/ABB equipment. The 3EM meter can send the signal to multiple relays.
Tesla Backup Switch Current Detection Electrical Installation
The Tesla Backup Switch (BUS) is a Microgrid Interconnect Device (MID) that integrates onsite renewables, battery power, and grid power at the meter base. When a grid outage is detected, the BUS isolates all wiring on the load side of the meter from the utility grid. This simplifies whole-home backup but presents a challenge for energy management systems that need to sense grid presence. In a typical installation the BUS is installed between the meter base and the utility-owned energy meter. The result is that all wiring on the utility side of the BUS belongs to the utility and typically is inaccessible and off-limits for grid detection. All wiring on the load side of the BUS is backed up by the Powerwall batteries and will not de-energize during a grid outage so cannot be used for grid detection. The best solution to this challenge is to install the Tesla BUS in a secondary meter base so that there will be wiring between the utility meter and the BUS that is owned by the homeowner and will be de-energized in a grid outage. This wiring is suitable for grid detection, either by means of a direct tap of the conductors (overcurrent protection may be necessary) or by use of the Shelly Current Detection Configuration. Note that the Shelly 400 A CTs required for this configuration are fairly large, so this may require a large meter base for the Tesla BUS with space to accommodate the CTs.